关键性能
| ● 45-1000 MHz operating frequency range |
| ● 33 dB Gain Max |
| ● Low Noise: 3.5 pA / √Hz Equivalent Input Noise Current (EINC) |
| ● Linearity: -68 dBc CSO and -70 dBc CTB at +78dBuV RF Output per Channel (60 PAL-D channels DS22) |
| ● High dynamic gain range, 32dB Gain Control Range |
| ● Low power consumption, 210mA for one RF output at 5V supply voltage |
|
● 0-3V AGC control voltage |
|
● Support -10dBm to +2dBm optical range single supply |
|
● Low power consumption, 110mA for one RF output at 12V supply voltage |
|
● Lead-free/RoHS compliant QFN4X4-24L package |
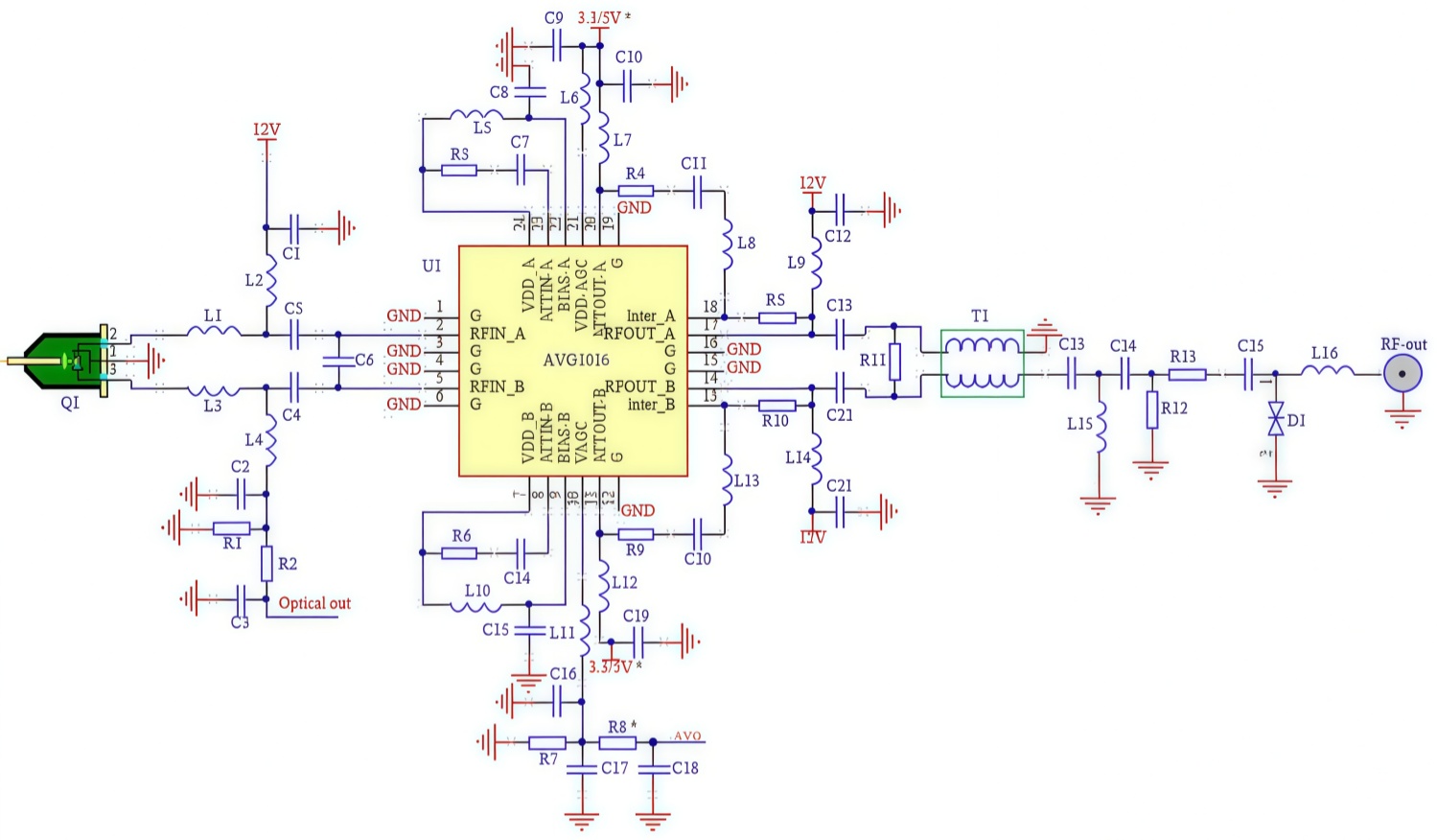
Variable Gain Amplifier AVG1016
Sanland’s AVG1016 is a variable Gain Amplifier with Voltage Controlled Attenuator. The Amplifier has high linearity and low noise achieved by using the 0.5um GaAs E- pHEMT process. It is housed in a miniature 4.0 x 4.0 mm 24-pin Quad-Flat-Non-Lead (QFN) package. It is designed for optimum use from 45MHz up to 1000MHz. The compact footprint and low profile coupled with high gain and high linearity make the AVG1018 an ideal choice as a amplifier for CATV network and FTTH network.

| 类型 | Downstream |
| 频率最小值(GHz) | 0.05 |
| 频率最大值(GHz) | 1.0 |
| 增益典型值(dB) | 32 |
| 增益控制范围(dB) | -68 |
| 自动增益控制电压范围(V) | -70 |
| NF(dB) | 1.5 |
| 工作电压(V) | 12 |
| 电流(mA) | 110 |
| 封装类型 | QFN |
| RoHS | Yes |
| Lead Free | Yes |
| Halogen Free | Yes or No |
